
Envíenos un correo electrónico
sale@lscmagnetics.com
Número de contacto
+86 -13559234186
El separador electromagnético de hierro en seco de la serie RCDB (también conocido como separador electromagnético de disco de la serie PDC) se utiliza ampliamente en minería, generación de energía, metalurgia, cemento, materiales de construcción, productos químicos, cerámica y procesamiento de vidrio. Generalmente suspendido sobre una cinta transportadora, el dispositivo genera un potente campo magnético al energizarse. A medida que el material pasa por debajo de la cinta, las partículas ferrosas —incluidos clavos, tornillos, escoria y otros fragmentos de hierro— son atraídas instantáneamente a la superficie del polo magnético por la intensa fuerza magnética. Al desconectarse o retirarse, el hierro capturado se desprende automáticamente, completando así el ciclo de separación.
Número de artículo :
RCDB Suspended Electromagnetic SeparatorOrden (MOQ) :
1Origen del producto :
chinaPlazo de entrega :
7-10daysSeparador electromagnético de hierro suspendido RCDB
En la producción industrial moderna, las impurezas ferrosas en los materiales no solo comprometen la calidad del producto, sino que también representan una seria amenaza para los equipos posteriores, como trituradoras, molinos y cintas transportadoras. El separador electromagnético de hierro suspendido de la serie RCDB es precisamente el dispositivo industrial de limpieza y protección de equipos diseñado para afrontar estos desafíos. Alimentado por un campo electromagnético de corriente continua, este dispositivo extrae el hierro a distancia, capturando y eliminando con precisión los contaminantes ferrosos de materiales no magnéticos, garantizando así la pureza del producto y la seguridad de los equipos.


I. Separador electromagnético RCDB: Doble protección para la purificación del producto y la seguridad del equipo.
El valor fundamental del removedor de hierro electromagnético RCDB reside en dos funciones críticas:
Purificación de materiales: Elimina eficazmente las impurezas de hierro de las materias primas, mejorando la calidad y pureza del producto. Esto es fundamental en la cerámica, el vidrio, el procesamiento de alimentos, la industria química y otros sectores donde es imprescindible obtener un producto libre de contaminantes.
Protección de equipos: Instalado antes de las trituradoras, prensas de rodillos y demás maquinaria clave, el RCDB evita que los objetos ferrosos dañen los equipos y previene el desgarro longitudinal de las cintas transportadoras. Actúa como un verdadero escudo protector para la maquinaria de trituración.
II. Principales ventajas técnicas e innovaciones
Lo que distingue a la serie RCDB es su avanzada tecnología central y su construcción robusta.
1. Circuito magnético optimizado por computadora: penetración profunda y alta intensidad de campo.
El circuito magnético del RCDB está meticulosamente diseñado mediante simulación por ordenador, lo que da como resultado una distribución de campo optimizada, una profunda penetración magnética y un gradiente elevado que garantiza la máxima fuerza de atracción incluso con grandes espacios de trabajo. El dispositivo captura de forma fiable piezas ferrosas de entre 0,1 kg y 35 kg mezcladas con materiales no magnéticos, logrando una tasa de eliminación de hierro superior al 95 %. Tanto las finas limaduras de hierro como los grandes restos mecánicos se procesan con facilidad.
2. Estructura totalmente sellada y autoenfriadora: diseñada para condiciones extremas.
La serie RCDB cuenta con una carcasa de acero totalmente sellada y soldada. La bobina y la carcasa están unidas con adhesivo de resina epoxi vertido al vacío, mientras que el interior está moldeado con resina aislante especializada de grado eléctrico, formando una estructura auto-refrigerante completamente sellada. Este diseño proporciona una excelente impermeabilidad, protección contra el polvo y resistencia a la corrosión, lo que permite un funcionamiento continuo y fiable incluso en los entornos más exigentes, como minas, plantas metalúrgicas y centrales térmicas con alta concentración de polvo. Con pocos puntos de fallo potenciales, el mantenimiento es sencillo y rentable.
3. Control avanzado del aumento de temperatura: mayor vida útil.
El RCDB incorpora tecnología de control de temperatura de última generación. Manteniendo constantes las amperios-vueltas (I·N), se incrementa el número de espiras de la bobina y se reduce la densidad de corriente, disminuyendo significativamente la generación de calor. Esto controla eficazmente el aumento de temperatura y prolonga sustancialmente la vida útil del dispositivo. Además, se utilizan materiales aislantes de alto rendimiento y relleno de óxido de magnesio, que ofrecen un excelente aislamiento y disipación de calor. Como resultado, el RCDB logra una notable reducción del 19,1 % en el aumento de temperatura, mientras que la intensidad de su campo magnético aumenta un 43 % en condiciones de funcionamiento a altas temperaturas.
4. Amplia gama de modelos y opciones magnéticas súper potentes
La serie RCDB abarca una amplia gama de modelos, con anchos de banda de 300 mm a 2000 mm y potencias de excitación de 0,4 kW a 18 kW, lo que garantiza una solución para prácticamente cualquier línea de producción. Además, se encuentran disponibles variantes magnéticas de gran potencia que superan las especificaciones estándar: los modelos T1 ofrecen 90 mT, los modelos T2 120 mT y los modelos T3 unos potentes 150 mT, satisfaciendo incluso los requisitos más exigentes de eliminación de hierro.
![]() ![]() | |||||||||||
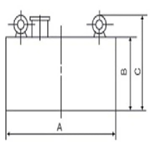
| Modelo | Ancho de la correa (mm) | Altura de suspensión (h=mm) | Profundidad del material (≤mm) | Intensidad magnética (≥mT) | Potencia motriz (≤ kW) | Velocidad de la correa | Modo de funcionamiento | Peso (kg) | Tamaño aparente (mm) | ||
| ≤ m/s | A | B | C | ||||||||
| RCDB-4 | 400 | 120 | 70 | 50 | 0,6 | 4.5 | continuo | 250 | 500 | 240 | 280 |
| RCDB-5 | 500 | 150 | 100 | 60 | 1 | 430 | 600 | 250 | 310 | ||
| RCDB-6 | 600 | 180 | 130 | 63 | 1.6 | 580 | 610 | 270 | 340 | ||
| RCDB-6.5 | 650 | 200 | 150 | 70 | 2 | 680 | 720 | 270 | 340 | ||
| RCDB-8 | 800 | 250 | 200 | 70 | 3.6 | 950 | 960 | 275 | 335 | ||
| RCDB-10 | 1000 | 300 | 250 | 70 | 5 | 1520 | 1200 | 320 | 420 | ||
| RCDB-12 | 1200 | 350 | 300 | 70 | 6.8 | 2250 | 1400 | 370 | 470 | ||
| RCDB-14 | 1400 | 400 | 350 | 70 | 9 | 2950 | 1650 | 405 | 500 | ||
| RCDB-16 | 1600 | 450 | 400 | 70 | 13 | 4800 | 1900 | 460 | 560 | ||
| RCDB-18 | 1800 | 500 | 450 | 70 | 18 | 6900 | 2150 | 570 | 630 | ||
| RCDB-20 | 2000 | 500 | 500 | 70 | 20 | 7500 | 2300 | 580 | 680 | ||
5. Capacidades flexibles de control y automatización
El RCDB ofrece opciones de control flexibles, permitiendo el funcionamiento alterno de dos separadores o la excitación intermitente para mantener un rendimiento óptimo en frío con una fuerza magnética estable y potente. El sistema es compatible con la programación PLC para la descarga automatizada y programada del hierro. Entre las funciones opcionales se incluyen alarmas sonoras, monitorización de la temperatura de la bobina y dispositivos de pesaje que activan la descarga prioritaria y una alarma cuando se superan los límites de carga, satisfaciendo plenamente las necesidades de una producción moderna e inteligente.

1. Montaje
Fije el separador magnético redondo suspendido de tipo seco sobre su cinta transportadora o sistema de alimentación utilizando los soportes suministrados.
2. Conexión eléctrica
Conéctelo a la alimentación de 220 V/380 V de su planta; no se requiere ningún circuito de refrigeración adicional.
3. Empresa emergente
Encienda el sistema a través del panel de control inteligente; este realizará una autocomprobación y, a continuación, entrará en modo de espera.
4. Controles rutinarios
Inspeccione la temperatura de la bobina y la tensión de la correa cada 1000 horas de funcionamiento; el mantenimiento requerido es mínimo gracias a la descarga automática del hierro.
III. Amplias aplicaciones industriales
Gracias a su excepcional eficiencia en la eliminación de hierro y a su diseño robusto, la serie RCDB desempeña un papel indispensable en numerosos sectores:
- Minería del carbón y generación de energía térmica: elimina los contaminantes ferrosos del carbón seco y el coque, protegiendo las trituradoras y los pulverizadores.
- Metalurgia y minería: Mejora la eliminación y recuperación de hierro en el procesamiento de mineral de hierro, concentrado de cobre y otros minerales.
- Cemento y materiales de construcción: Ubicados antes de las prensas de rodillos y los molinos verticales para evitar daños y garantizar una producción estable.
- Productos químicos y vidrio: Elimina las impurezas de hierro de las materias primas químicas y de vidrio, mejorando la pureza del producto final.
- Cerámica y materiales refractarios: Elimina las sustancias ferromagnéticas de los abrasivos y refractarios, garantizando la calidad del producto final.
- Tratamiento de residuos sólidos y protección del medio ambiente: recupera hierro de los residuos sólidos domésticos e industriales, apoyando el reciclaje de recursos.
- Procesamiento de alimentos y madera: Elimina los contaminantes de hierro de las materias primas, garantizando la seguridad alimentaria y la calidad de los productos de madera.

IV. Perspectivas del mercado y trayectoria de crecimiento
A medida que avanza la automatización industrial y se endurecen las normativas medioambientales a nivel mundial, los equipos de separación electromagnética siguen cobrando importancia. El mercado global de separadores electromagnéticos de banda superior alcanzó un valor aproximado de 151 millones de dólares en 2024 y se prevé que llegue a los 192 millones de dólares en 2031, con una tasa de crecimiento anual compuesta (TCAC) del 3,5 %. El mercado más amplio de separadores magnéticos se valoró en 1400 millones de dólares en 2025 y se espera que crezca hasta los 2210 millones de dólares en 2032, con una TCAC del 6,69 %. China, en particular, ha sido un mercado de rápido crecimiento, y los fabricantes chinos de RCDB han estado expandiendo activamente su presencia internacional en el sudeste asiático, Oriente Medio, Europa y América.
En este panorama en constante evolución, la serie RCDB destaca por combinar una construcción avanzada totalmente sellada, circuitos magnéticos optimizados por ordenador y un control de temperatura superior.

V. ¿Por qué elegir el separador electromagnético de hierro suspendido RCDB?
La serie RCDB representa el referente en la eliminación de hierro industrial y ofrece:
- Potencia magnética inigualable: penetración profunda y alto gradiente.
- Una estructura fiable y completamente sellada: impermeable, a prueba de polvo y resistente a la corrosión.
- Control avanzado del aumento de temperatura: rendimiento estable a largo plazo.
- Amplia adaptabilidad: se adapta a una amplia gama de anchos de correa, tipos de materiales y condiciones ambientales.
- Opciones de automatización flexibles: funcionamiento inteligente y de bajo mantenimiento.
Preguntas frecuentes
1. ¿Cuáles son los principales parámetros técnicos del RCDB? ¿Qué tan eficaz es para eliminar el hierro?
Sus parámetros técnicos varían según el modelo específico, pero los indicadores clave incluyen el ancho de banda, la altura de suspensión y la intensidad del campo magnético. En cuanto a su rendimiento, puede eliminar eficazmente materiales ferromagnéticos con un peso de entre 0,1 y 35 kg, con una tasa de eliminación de hierro que generalmente supera el 95 %.
2. ¿Cómo determinar si la atracción magnética del separador magnético se ha debilitado? ¿Qué se debe hacer?
Si observa que la atracción magnética del separador ha disminuido, compruebe primero si ha cambiado la altura de suspensión o el ángulo de inclinación del separador. De ser así, ajústelos de inmediato. Además, el funcionamiento continuo y prolongado del equipo puede provocar un aumento de la temperatura, lo que también puede reducir la intensidad del campo magnético y afectar la eficacia de la separación magnética.
3. Cuando el equipo no se enciende o no tiene fuerza de succión después de encenderlo, ¿cómo se debe solucionar el problema?
Cuando se presenta una situación en la que el equipo no se energiza o no tiene fuerza de succión después de energizarse, lo primero que se debe verificar es:
Compruebe si hay un circuito abierto en el bobinado de la bobina.
Compruebe que el cable de conexión desde el armario de control al separador magnético tenga buen contacto.
4. ¿Cómo elegir el modelo adecuado (por ejemplo, RCDB-6, RCDB-10, etc.)?
La selección del modelo depende principalmente de dos factores: el tamaño máximo de partícula y el espesor de la capa de material, así como la velocidad y el ancho de la cinta transportadora. Por ejemplo, los modelos RCDB-3 a RCDB-6 utilizan potenciómetros para un ajuste suave de la excitación, mientras que los modelos RCDB-6.5 y superiores utilizan tomas de transformador para ajustar la potencia de funcionamiento. Se recomienda proporcionar al proveedor parámetros de funcionamiento detallados antes de la compra para obtener una recomendación precisa del modelo.
ETIQUETAS :